Opis
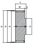
Opis przedmiotu: producent SIT wymiary 0 x 0 x 0 waga 1,09 kg hs – grubość paska [mm] 10 ht – wysokość zęba [mm] 6,1 liczba zębów [szt.] 185 Ld=Lp=Lw – długość podziałowa [mm] 2590 materiał polichloropren (Hibrex) t – podziałka [mm] 14 typ produktu pas zębaty bezkońcowy profil 14M cecha produktu hi-performance pd plus materiał kordu włókno szklane







