Opis
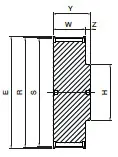
producent SIT wymiary 0 x 148,72 x 102 Waga 0 kg bo – szerokość paska [mm] 85 cecha z piastą cecha koło z obrzeżami cecha koło z nakiełkami cecha na życzenie wykonujemy pełną obróbkę CNC wg wzoru lub rysunku E [mm] 158 H [mm] 122 liczba zębów [szt.] 34 materiał żeliwo szare S [mm] 148,72 typ produktu koło pasowe zębate W [mm] 102 Y [mm] 117 Z – głębokość [mm] 15 wykonanie 1 profil S14M R [mm] 151,51







