Promocja!

Zbiornik oleju aluminiowo-plastikowy do pomp ręcznych PM/PMD o pojemności 5l. (10680000043) Niska cena

Pierwotna cena wynosiła: 465,00 zł.Aktualna cena wynosi: 186,00 zł.

Bezpieczna i gwarantowana płatność

Akceptowane metody płatności
  • Darmowa i szybka dostawa od 149,99 zł
  • 14 dni na zwrot i zwrot środków
  • Bezpieczne płatności z szyfrowaniem SSL
SKU: SK0029948-PL20260309-211201 Kategoria: Znacznik:

Opis

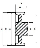
Kod producenta   10680000043
Symbol   10680000043
Materiał   Aluminium i plastik
Pojemność [l]   5