Opis
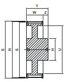
producent SIT wymiary 0 x 176,5 x 85,7 waga 0 kg bo – szerokość paska [mm] 300 (3″=76,2 mm) cecha z piastą cecha koło z obrzeżami cecha koło z nakiełkami cecha na życzenie wykonujemy pełną obróbkę CNC wg wzoru lub rysunku d [mm] 24 E [mm] 184 H [mm] 80 liczba zębów [szt.] 44 materiał stal węglowa C45 / 1.0503 / AISI1045 S [mm] 176.5 typ produktu koło pasowe zębate W [mm] 85.7 Y [mm] 98 Z – głębokość [mm] 12.3 wykonanie 3 profil H ds [mm] 24 R [mm] 177.87 U [mm] 150







