Promocja!

Zamów teraz Koło pasowe zębate PD45H300 SIT

Pierwotna cena wynosiła: 355,40 zł.Aktualna cena wynosi: 142,16 zł.

Bezpieczna i gwarantowana płatność

Akceptowane metody płatności
  • Darmowa i szybka dostawa od 149,99 zł
  • 14 dni na zwrot i zwrot środków
  • Bezpieczne płatności z szyfrowaniem SSL
SKU: SK0032365-PL20260309-211201 Kategoria: Znacznik:

Opis

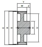
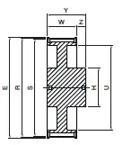
producent SIT wymiary 0 x 180,54 x 85,7 waga 0 kg bo – szerokość paska [mm] 300 (3″=76,2 mm) cecha z piastą cecha koło z obrzeżami cecha koło z nakiełkami cecha na życzenie wykonujemy pełną obróbkę CNC wg wzoru lub rysunku d [mm] 24 E [mm] 192 H [mm] 80 liczba zębów [szt.] 45 materiał żeliwo szare S [mm] 180.54 typ produktu koło pasowe zębate W [mm] 85.7 Y [mm] 98 Z – głębokość [mm] 12.3 wykonanie 3 profil H ds [mm] 24 R [mm] 181.91 U [mm] 154