Opis
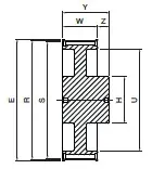
producent SIT wymiary 0 x 180,54 x 59,5 waga 0 kg bo – szerokość paska [mm] 200 (2″=50,8 mm) cecha z piastą cecha koło z obrzeżami cecha koło z nakiełkami cecha na życzenie wykonujemy pełną obróbkę CNC wg wzoru lub rysunku d [mm] 18 E [mm] 192 H [mm] 80 liczba zębów [szt.] 45 materiał żeliwo szare S [mm] 180.54 typ produktu koło pasowe zębate W [mm] 59.5 Y [mm] 72 Z – głębokość [mm] 12.5 wykonanie 3 profil H ds [mm] 18 R [mm] 181.91 U [mm] 154







