Opis
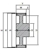
producent SIT wymiary 0 x 176,5 x 46 waga 5,36 kg bo – szerokość paska [mm] 150 (1 1/2″=38,1 mm) cecha z piastą cecha koło z obrzeżami cecha koło z nakiełkami cecha na życzenie wykonujemy pełną obróbkę CNC wg wzoru lub rysunku d [mm] 18 E [mm] 184 H [mm] 75 liczba zębów [szt.] 44 materiał stal węglowa C45 / 1.0503 / AISI1045 S [mm] 176.5 typ produktu koło pasowe zębate W [mm] 46 Y [mm] 70 Z – głębokość [mm] 24 wykonanie 3 profil H ds [mm] 18 R [mm] 177.87 U [mm] 150







