Opis
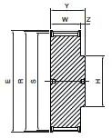
producent SIT wymiary 0 x 17,28 x 14,3 waga 0,01 kg bo – szerokość paska [mm] 037 (3/8″=9,53 mm) cecha z piastą cecha koło z obrzeżami cecha koło z nakiełkami cecha na życzenie wykonujemy pełną obróbkę CNC wg wzoru lub rysunku E [mm] 23 H [mm] 10 liczba zębów [szt.] 11 materiał aluminium S [mm] 17.28 typ produktu koło pasowe zębate W [mm] 14.3 Y [mm] 25 Z – głębokość [mm] 10.7 wykonanie 1 profil XL R [mm] 17.79







