Opis
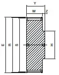
producent SIT wymiary 0 x 56,08 x 15 waga 0,13 kg bo – szerokość paska [mm] 10 cecha z piastą cecha koło z obrzeżami cecha koło z nakiełkami cecha na życzenie wykonujemy pełną obróbkę CNC wg wzoru lub rysunku E [mm] 64 H [mm] 38 liczba zębów [szt.] 36 materiał aluminium S [mm] 56.08 typ produktu koło pasowe zębate W [mm] 15 Y [mm] 21 Z – głębokość [mm] 6 wykonanie 1 profil AT5 R [mm] 57.3







