Opis
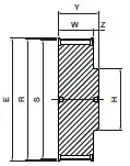
producent SIT wymiary 0 x 49,71 x 21 waga 0,126 kg bo – szerokość paska [mm] 16 cecha z piastą cecha koło z obrzeżami cecha koło z nakiełkami cecha na życzenie wykonujemy pełną obróbkę CNC wg wzoru lub rysunku E [mm] 54 H [mm] 36 liczba zębów [szt.] 32 materiał aluminium S [mm] 49.71 typ produktu koło pasowe zębate W [mm] 21 Y [mm] 27 Z – głębokość [mm] 6 wykonanie 1 profil AT5 R [mm] 50.93







