Opis
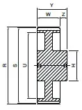
producent SIT wymiary 0 x 93,28 x 14,3 waga 0,32 kg bo – szerokość paska [mm] 037 (3/8″=9,53 mm) cecha z piastą cecha bez obrzeży cecha koło z nakiełkami cecha na życzenie wykonujemy pełną obróbkę CNC wg wzoru lub rysunku H [mm] 52 liczba zębów [szt.] 58 materiał aluminium S [mm] 93.28 typ produktu koło pasowe zębate W [mm] 14.3 Y [mm] 25 Z – głębokość [mm] 10.7 wykonanie 3A profil XL R [mm] 93.79 U [mm] 69







