Opis
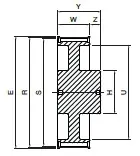
producent SIT wymiary 0 x 144,16 x 59,5 waga 0 kg bo – szerokość paska [mm] 200 (2″=50,8 mm) cecha z piastą cecha koło z obrzeżami cecha koło z nakiełkami cecha na życzenie wykonujemy pełną obróbkę CNC wg wzoru lub rysunku d [mm] 12 E [mm] 150 H [mm] 80 liczba zębów [szt.] 36 materiał stal węglowa C45 / 1.0503 / AISI1045 S [mm] 144.16 typ produktu koło pasowe zębate W [mm] 59.5 Y [mm] 72 Z – głębokość [mm] 12.5 wykonanie 3 profil H ds [mm] 12 R [mm] 145.53 U [mm] 118







