Opis
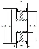
producent SIT wymiary 0 x 189,39 x 30 Waga 0 kg bo – szerokość paska [mm] 21 cecha z piastą cecha koło z obrzeżami cecha otwór pod Taper Lock E [mm] 202 H [mm] 120 liczba zębów [szt.] 75 materiał żeliwo szare S [mm] 189,39 typ produktu koło pasowe zębate W [mm] 30 współpracuje z Taper Lock 2517 Y [mm] 45 Z – głębokość [mm] 7,5 wykonanie 11 profil 8M GTR ds [mm] 0 R [mm] 190,99 U [mm] 165







