Opis
Opis przedmiotu:
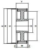
Nazwa:Łożysko skośne dwurzędowe
Symbol: 3310 SC3
Ilość sprzedawana: 1szt
Rozmiar: 50x110x44,4
Materiał: Stal łożyskowa
Luz: C3 powiększony do wyższych obrotów
Producent:NTN Parametry techniczne: Wymiary: d – 50 mm D – 110 mm B – 44,4 mm







