Opis
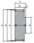
producent SIT wymiary 0 x 53,81 x 25,4 Waga 0,56 kg bo – szerokość paska [mm] 075 (3/4″=19,05 mm) cecha z piastą cecha koło z obrzeżami cecha koło z nakiełkami cecha na życzenie wykonujemy pełną obróbkę CNC wg wzoru lub rysunku E [mm] 60 H [mm] 41 liczba zębów [szt.] 18 materiał stal węglowa C45 / 1.0503 / AISI1045 S [mm] 53,81 typ produktu koło pasowe zębate W [mm] 25,4 Y [mm] 38 Z – głębokość [mm] 12,6 wykonanie 1 profil L R [mm] 54,57







