Opis
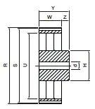
producent SIT wymiary 0 x 426,44 x 28 Waga 0 kg bo – szerokość paska [mm] 20 cecha z piastą cecha bez obrzeży cecha otwór wstępny cecha na życzenie wykonujemy pełną obróbkę CNC wg wzoru lub rysunku d [mm] 20 H [mm] 100 liczba zębów [szt.] 168 materiał żeliwo szare S [mm] 426,44 typ produktu koło pasowe zębate W [mm] 28 Y [mm] 38 Z – głębokość [mm] 10 wykonanie 5B profil 8M ds [mm] 20 R [mm] 427,8 U [mm] 403







