Opis
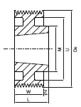
Parametry techniczne: producent SIT wymiary 0 x 0 x 0 waga 0 kg cecha z piastą cecha otwór pod Taper Lock ilość rowków [szt.] 6 L [mm] 45 M [mm] 120 materiał żeliwo szare s – szerokość rowka [mm] 3,56 typ produktu koło wielorowkowe W [mm] 28.5 współpracuje z Taper Lock 2517 Z – głębokość [mm] 16.5 wykonanie 8 profil PK De – średnica podziałowa 170 ds [mm] 0 U [mm] 150







