Opis
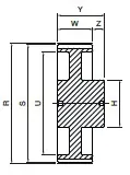
producent SIT wymiary 0 x 55,48 x 37 waga 0,26 kg bo – szerokość paska [mm] 32 cecha z piastą cecha koło z obrzeżami cecha koło z nakiełkami cecha na życzenie wykonujemy pełną obróbkę CNC wg wzoru lub rysunku E [mm] 60 H [mm] 40 liczba zębów [szt.] 18 materiał aluminium S [mm] 55.48 typ produktu koło pasowe zębate W [mm] 37 Y [mm] 47 Z – głębokość [mm] 10 wykonanie 1 profil AT10 R [mm] 57.3







