Opis
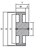
producent SIT wymiary 0 x 138,24 x 30 waga 1,18 kg bo – szerokość paska [mm] 25 cecha z piastą cecha bez obrzeży cecha koło z nakiełkami cecha na życzenie wykonujemy pełną obróbkę CNC wg wzoru lub rysunku H [mm] 88 liczba zębów [szt.] 44 materiał aluminium S [mm] 138.24 typ produktu koło pasowe zębate W [mm] 30 Y [mm] 40 Z – głębokość [mm] 10 wykonanie 3A profil AT10 R [mm] 140.06 U [mm] 118







