Opis
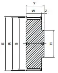
producent SIT wymiary 0 x 43,34 x 30 waga 0,132 kg bo – szerokość paska [mm] 25 cecha z piastą cecha koło z obrzeżami cecha koło z nakiełkami cecha na życzenie wykonujemy pełną obróbkę CNC wg wzoru lub rysunku E [mm] 48 H [mm] 32 liczba zębów [szt.] 28 materiał aluminium S [mm] 43.34 typ produktu koło pasowe zębate W [mm] 30 Y [mm] 36 Z – głębokość [mm] 6 wykonanie 1 profil AT5 R [mm] 44.56







