Opis
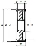
producent SIT wymiary 0 x 202,35 x 60 Waga 7,495 kg bo – szerokość paska [mm] 50 cecha bez piasty cecha bez obrzeży cecha otwór pod Taper Lock H [mm] 160 liczba zębów [szt.] 80 materiał żeliwo szare S [mm] 202,35 typ produktu koło pasowe zębate W [mm] 60 współpracuje z Taper Lock 3020 Y [mm] 51 Z – głębokość [mm] 4,5 wykonanie 8A profil 8M R [mm] 203,74 U [mm] 178







