Opis
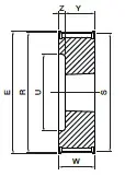
producent SIT wymiary 0 x 70,08 x 38 Waga 0,57 kg bo – szerokość paska [mm] 30 cecha bez piasty cecha koło z obrzeżami cecha otwór pod Taper Lock E [mm] 75 liczba zębów [szt.] 28 materiał stal węglowa C45 / 1.0503 / AISI1045 S [mm] 70,08 typ produktu koło pasowe zębate W [mm] 38 współpracuje z Taper Lock 1108 Y [mm] 22 Z – głębokość [mm] 16 wykonanie 4 profil 8M R [mm] 71,3 U [mm] 52







