Opis
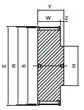
producent SIT wymiary 0 x 148,79 x 102 waga 14,06 kg bo – szerokość paska [mm] 85 cecha z piastą cecha koło z obrzeżami cecha koło z nakiełkami cecha na życzenie wykonujemy pełną obróbkę CNC wg wzoru lub rysunku E [mm] 160 H [mm] 122 liczba zębów [szt.] 34 materiał stal węglowa C45 / 1.0503 / AISI1045 S [mm] 148.79 typ produktu koło pasowe zębate W [mm] 102 Y [mm] 117 Z – głębokość [mm] 15 wykonanie 1 profil 14M R [mm] 151.51







