Opis
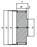
producent SIT wymiary 0 x 110,67 x 60 Waga 0 kg bo – szerokość paska [mm] 50 cecha z piastą cecha koło z obrzeżami cecha koło z nakiełkami cecha na życzenie wykonujemy pełną obróbkę CNC wg wzoru lub rysunku E [mm] 121 H [mm] 96 liczba zębów [szt.] 44 materiał żeliwo szare S [mm] 110,67 typ produktu koło pasowe zębate W [mm] 60 Y [mm] 70 Z – głębokość [mm] 10 wykonanie 1 profil S8M R [mm] 112,05







