Opis
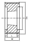
Parametry techniczne: producent SIT wymiary 0 x 0 x 0 waga 0 kg cecha bez piasty cecha otwór pod Taper Lock ilość rowków [szt.] 12 L [mm] 52 M [mm] 146 materiał żeliwo szare s – szerokość rowka [mm] 4,7 typ produktu koło wielorowkowe W [mm] 67 współpracuje z Taper Lock 3020 Z – głębokość [mm] 7.5 wykonanie 4 profil PL De – średnica podziałowa 212 ds [mm] 0 U [mm] 188







