Opis
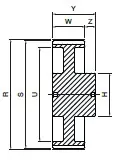
producent SIT wymiary 0 x 125,5 x 56 waga 1,69 kg bo – szerokość paska [mm] 50 cecha z piastą cecha koło z obrzeżami cecha koło z nakiełkami cecha na życzenie wykonujemy pełną obróbkę CNC wg wzoru lub rysunku E [mm] 131 H [mm] 80 liczba zębów [szt.] 40 materiał aluminium S [mm] 125.5 typ produktu koło pasowe zębate W [mm] 56 Y [mm] 66 Z – głębokość [mm] 10 wykonanie 3A profil AT10 R [mm] 127.32







