Opis
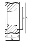
Parametry techniczne: producent SIT wymiary 0 x 0 x 0 waga 0 kg cecha bez piasty cecha otwór pod Taper Lock ilość rowków [szt.] 20 L [mm] 52 materiał żeliwo szare s – szerokość rowka [mm] 4,7 typ produktu koło wielorowkowe W [mm] 105 współpracuje z Taper Lock 3020 Z – głębokość [mm] 26.5 wykonanie 4 profil PL De – średnica podziałowa 140 ds [mm] 0 U [mm] 116







