Promocja!

Tani Korpus trójnika nastawnego niesymetrycznego M30x2 22L 316Ti X7350-22L-1 (106255)

Pierwotna cena wynosiła: 332,20 zł.Aktualna cena wynosi: 132,88 zł.

Bezpieczna i gwarantowana płatność

Akceptowane metody płatności
  • Darmowa i szybka dostawa od 149,99 zł
  • 14 dni na zwrot i zwrot środków
  • Bezpieczne płatności z szyfrowaniem SSL
SKU: SK0032976-PL20260309-211201 Kategoria: Znacznik:

Opis

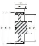
Symbol   X7350-22L-1
Rodzaj materiału   Stal nierdzewna
Kształt   Trójnik
Gwint męski pod rurkę / przewód / port   CEL M30x2 (22L)
Gwint żeński z nakrętką   DKOL M30x2 22L