Opis
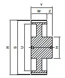
producent SIT wymiary 0 x 281,61 x 46 waga 0 kg bo – szerokość paska [mm] 150 (1 1/2″=38,1 mm) cecha z piastą cecha bez obrzeży cecha koło z nakiełkami cecha na życzenie wykonujemy pełną obróbkę CNC wg wzoru lub rysunku d [mm] 24 H [mm] 80 liczba zębów [szt.] 70 materiał żeliwo szare S [mm] 281.61 typ produktu koło pasowe zębate W [mm] 46 Y [mm] 70 Z – głębokość [mm] 24 wykonanie 3A profil H ds [mm] 24 R [mm] 282.98 U [mm] 255







