Opis
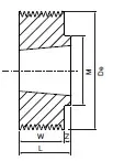
Parametry techniczne: producent SIT wymiary 0 x 0 x 0 waga 0 kg cecha z piastą cecha otwór pod Taper Lock ilość rowków [szt.] 4 L [mm] 32 M [mm] 110 materiał żeliwo szare s – szerokość rowka [mm] 3,56 typ produktu koło wielorowkowe W [mm] 20.5 współpracuje z Taper Lock 2012 Z – głębokość [mm] 5.75 wykonanie 6 profil PK De – średnica podziałowa 190 ds [mm] 0 U [mm] 174







