Opis
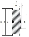
producent SIT wymiary 0 x 130,99 x 54 waga 6,2 kg bo – szerokość paska [mm] 40 cecha z piastą cecha koło z obrzeżami cecha koło z nakiełkami cecha na życzenie wykonujemy pełną obróbkę CNC wg wzoru lub rysunku E [mm] 138 H [mm] 107 liczba zębów [szt.] 30 materiał stal węglowa C45 / 1.0503 / AISI1045 S [mm] 130.99 typ produktu koło pasowe zębate W [mm] 54 Y [mm] 69 Z – głębokość [mm] 15 wykonanie 1 profil 14M R [mm] 133.69







