Promocja!

Premium Koło zębate pod pasek HD12-3M09 SIT

Pierwotna cena wynosiła: 10,80 zł.Aktualna cena wynosi: 5,40 zł.

Bezpieczna i gwarantowana płatność

Akceptowane metody płatności
  • Darmowa i szybka dostawa od 149,99 zł
  • 14 dni na zwrot i zwrot środków
  • Bezpieczne płatności z szyfrowaniem SSL
SKU: SK0002520-PL20260309-211201 Kategoria: Znacznik:

Opis

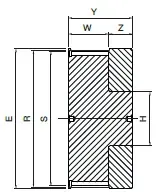
Opis przedmiotu:
Nazwa:Koło zębate pod pasek
Symbol: HTD 10-3M-12
Ilość sprzedawana: 1szt
Materiał: Aluminium
Zastosowanie: Do pasków zębatych TYP 3M o szerokości do 9 mm
Wykonanie: Zgodnie z tabelą