Promocja!

Premium Koło pasowe PD43XL037 SIT

Pierwotna cena wynosiła: 52,80 zł.Aktualna cena wynosi: 26,40 zł.

Bezpieczna i gwarantowana płatność

Akceptowane metody płatności
  • Darmowa i szybka dostawa od 149,99 zł
  • 14 dni na zwrot i zwrot środków
  • Bezpieczne płatności z szyfrowaniem SSL
SKU: SK0060734-PL20260309-211201 Kategoria: Znacznik:

Opis

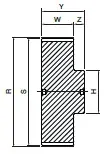
producent SIT wymiary 0 x 69,02 x 14,3 Waga 0 kg bo – szerokość paska [mm] 037 (3/8″=9,53 mm) cecha z piastą cecha bez obrzeży cecha koło z nakiełkami cecha na życzenie wykonujemy pełną obróbkę CNC wg wzoru lub rysunku H [mm] 52 liczba zębów [szt.] 43 materiał aluminium S [mm] 69,02 typ produktu koło pasowe zębate W [mm] 14,3 Y [mm] 25 wykonanie 1A profil XL R [mm] 69,53