Opis
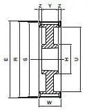
producent SIT wymiary 0 x 181,97 x 60 Waga 0 kg bo – szerokość paska [mm] 50 cecha bez piasty cecha koło z obrzeżami cecha otwór pod Taper Lock E [mm] 191 H [mm] 120 liczba zębów [szt.] 72 materiał żeliwo szare S [mm] 181,97 typ produktu koło pasowe zębate W [mm] 60 współpracuje z Taper Lock 2517 Y [mm] 45 Z – głębokość [mm] 7,5 wykonanie 8 profil S8M R [mm] 183,35 U [mm] 158







