Opis
Opis przedmiotu:
Nazwa: Pasek klinowy uzębiony
Ilość sprzedawana: 1szt.
Rozmiar: 1970 Ld (długość zewnętrzna)
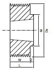
Producent: Optibelt Parametry techniczne: Wymiary: Bo – szerokość – 16,3 mm h – wysokość – 13 mm długość – 1970 mm Klasyczny pas klinowy przeznaczony jest do przenoszenia mocy w napędach maszyn i urządzeń przemysłowych oraz różnych maszyn rolniczych, budowlanych, górniczych i innych. Pasy tej grupy przeznaczone są do pracy przy prędkościach obwodowych nie przekraczających 30 m/s. Mogą one być stosowane do ciężkich napędów. Są stosowane przede wszystkim w przemyśle budowy maszyn jako zamienniki. W przemyśle budowy maszyn stosuje się je w napędach specjalnych (np. klinowo-płaskich). Zastosowanie specjalnych wersji klasycznych pasów klinowych rozwiązuje problemy przy budowie napędów trudnych w sprzęcie ogrodniczym oraz maszynach rolniczych.







