Opis
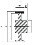
producent SIT wymiary 0 x 45,93 x 30 waga 0,14 kg bo – szerokość paska [mm] 25 cecha z piastą cecha koło z obrzeżami cecha koło z nakiełkami cecha na życzenie wykonujemy pełną obróbkę CNC wg wzoru lub rysunku E [mm] 51 H [mm] 31 liczba zębów [szt.] 15 materiał aluminium S [mm] 45.93 typ produktu koło pasowe zębate W [mm] 30 Y [mm] 40 Z – głębokość [mm] 10 wykonanie 1 profil AT10 R [mm] 47.75







