Opis
Opis przedmiotu:
Nazwa:Łożysko stożkowe
Symbol: 47686/47620
Ilość sprzedawana: 1szt.
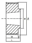
Rozmiar: 82,55×133,35×33,338
Materiał: Stal łożyskowa
Producent:FERSA Parametry techniczne Wymiary: d – 82,55 mm D – 133,35 mm T – 33,338 mm B – 33,338 mm C – 26,195 mm







