Opis
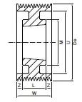
producent SIT wymiary 0 x 151,42 x 95 Waga 13,784 kg bo – szerokość paska [mm] 85 cecha z piastą cecha koło z obrzeżami cecha koło z nakiełkami cecha na życzenie wykonujemy pełną obróbkę CNC wg wzoru lub rysunku E [mm] 158 H [mm] 132 liczba zębów [szt.] 60 materiał stal węglowa C45 / 1.0503 / AISI1045 S [mm] 151,42 typ produktu koło pasowe zębate W [mm] 95 Y [mm] 105 Z – głębokość [mm] 10 wykonanie 1 profil 8M R [mm] 152,79







