Promocja!

Nowość 18590/18520 FBJ Łożysko stożkowe 41,2×73,025×16,66

Pierwotna cena wynosiła: 50,30 zł.Aktualna cena wynosi: 25,15 zł.

Bezpieczna i gwarantowana płatność

Akceptowane metody płatności
  • Darmowa i szybka dostawa od 149,99 zł
  • 14 dni na zwrot i zwrot środków
  • Bezpieczne płatności z szyfrowaniem SSL
SKU: SK0061593-PL20260309-211201 Kategoria: Znacznik:

Opis

Opis przedmiotu:
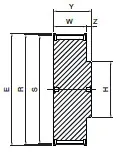
Nazwa:Łożysko stożkowe
Symbol: 18590/18520
Ilość sprzedawana: 1szt.
Rozmiar:  41,275 x 73,025 x 16,667
Materiał: Stal łożyskowa 
Producent:FBJ Parametry techniczne Wymiary: d –  41,275 mm D –  73,025 mm T –  16,667 mm B –  17, 462 mm C –  12,7 mm