Opis
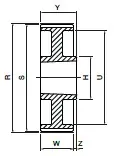
producent SIT wymiary 0 x 202,35 x 38 Waga 0 kg bo – szerokość paska [mm] 30 cecha z piastą cecha bez obrzeży cecha otwór pod Taper Lock H [mm] 120 liczba zębów [szt.] 80 materiał żeliwo szare S [mm] 202,35 typ produktu koło pasowe zębate W [mm] 38 współpracuje z Taper Lock 2517 Y [mm] 45 Z – głębokość [mm] 7 wykonanie 9A profil S8M R [mm] 203,72 U [mm] 178







