Opis
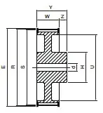
producent SKF wymiary 55 x 120 x 43 Waga 2,31 kg typ produktu Łożysko baryłkowe dwurzędowe nośność dynamiczna C [N] 280000 nośność statyczna Co [N] 280000 otwór stożkowy zbieżność 1:12 kraj pochodzenia Malezja / Polska prędkość graniczna [rpm] 5600 prędkość nominalna [rpm] 4300







