Opis
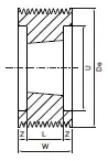
Parametry techniczne: producent SIT wymiary 0 x 0 x 0 waga 5,15 kg cecha bez piasty cecha otwór pod Taper Lock ilość rowków [szt.] 12 L [mm] 45 materiał żeliwo szare s – szerokość rowka [mm] 4,7 typ produktu koło wielorowkowe W [mm] 67 współpracuje z Taper Lock 2517 Z – głębokość [mm] 11 wykonanie 4 profil PL De – średnica podziałowa 160 ds [mm] 0 U [mm] 136







