Opis
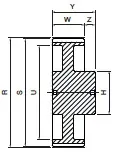
Parametry techniczne: producent SIT wymiary 0 x 0 x 0 waga 2,74 kg cecha z piastą cecha otwór pod Taper Lock ilość rowków [szt.] 12 L [mm] 45 M [mm] 120 materiał żeliwo szare s – szerokość rowka [mm] 2,34 typ produktu koło wielorowkowe W [mm] 32.5 współpracuje z Taper Lock 2517 Z – głębokość [mm] 12.5 wykonanie 7 profil PJ De – średnica podziałowa 140 ds [mm] 0







