Promocja!

Koło wielorowkowe PYB118L16 SIT Wysoka jakość

Pierwotna cena wynosiła: 337,80 zł.Aktualna cena wynosi: 135,12 zł.

Bezpieczna i gwarantowana płatność

Akceptowane metody płatności
  • Darmowa i szybka dostawa od 149,99 zł
  • 14 dni na zwrot i zwrot środków
  • Bezpieczne płatności z szyfrowaniem SSL
SKU: SK0032829-PL20260309-211201 Kategoria: Znacznik:

Opis

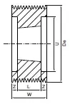
Parametry techniczne: producent SIT wymiary 0 x 0 x 0 waga 2,415 kg cecha bez piasty cecha otwór pod Taper Lock ilość rowków [szt.] 16 L [mm] 45 materiał żeliwo szare s – szerokość rowka [mm] 4,7 typ produktu koło wielorowkowe W [mm] 86 współpracuje z Taper Lock 2517 Z – głębokość [mm] 20.5 wykonanie 4 profil PL De – średnica podziałowa 118 ds [mm] 0 U [mm] 97