Opis
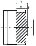
producent SIT wymiary 0 x 41,75 x 21 waga 0,094 kg bo – szerokość paska [mm] 16 cecha z piastą cecha koło z obrzeżami cecha koło z nakiełkami cecha na życzenie wykonujemy pełną obróbkę CNC wg wzoru lub rysunku E [mm] 48 H [mm] 30 liczba zębów [szt.] 27 materiał aluminium S [mm] 41.75 typ produktu koło pasowe zębate W [mm] 21 Y [mm] 27 Z – głębokość [mm] 6 wykonanie 1 profil AT5 R [mm] 42.97







