Opis
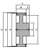
producent SIT wymiary 0 x 176,5 x 33,3 waga 0 kg bo – szerokość paska [mm] 100 (1″=25,4 mm) cecha z piastą cecha koło z obrzeżami cecha koło z nakiełkami cecha na życzenie wykonujemy pełną obróbkę CNC wg wzoru lub rysunku d [mm] 12 E [mm] 184 H [mm] 75 liczba zębów [szt.] 44 materiał stal węglowa C45 / 1.0503 / AISI1045 S [mm] 176.5 typ produktu koło pasowe zębate W [mm] 33.3 Y [mm] 54 Z – głębokość [mm] 20.7 wykonanie 3 profil H ds [mm] 12 R [mm] 177.87 U [mm] 150







