Opis
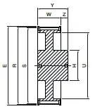
producent SIT wymiary 0 x 140,12 x 46 waga 4,38 kg bo – szerokość paska [mm] 150 (1 1/2″=38,1 mm) cecha z piastą cecha koło z obrzeżami cecha koło z nakiełkami cecha na życzenie wykonujemy pełną obróbkę CNC wg wzoru lub rysunku d [mm] 12 E [mm] 150 H [mm] 75 liczba zębów [szt.] 35 materiał stal węglowa C45 / 1.0503 / AISI1045 S [mm] 140.12 typ produktu koło pasowe zębate W [mm] 46 Y [mm] 58 Z – głębokość [mm] 12 wykonanie 3 profil H ds [mm] 12 R [mm] 141.49 U [mm] 118







