Opis
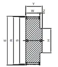
producent SIT wymiary 0 x 95,65 x 25,4 waga 1,85 kg bo – szerokość paska [mm] 075 (3/4″=19,05 mm) cecha z piastą cecha koło z obrzeżami cecha koło z nakiełkami cecha na życzenie wykonujemy pełną obróbkę CNC wg wzoru lub rysunku E [mm] 102 H [mm] 80 liczba zębów [szt.] 24 materiał stal węglowa C45 / 1.0503 / AISI1045 S [mm] 95.65 typ produktu koło pasowe zębate W [mm] 25.4 Y [mm] 38 Z – głębokość [mm] 12.6 wykonanie 1 profil H R [mm] 97.02







