Opis
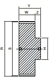
producent SIT wymiary 0 x 56,54 x 20 waga 0,16 kg bo – szerokość paska [mm] 15 cecha z piastą cecha bez obrzeży cecha koło z nakiełkami cecha na życzenie wykonujemy pełną obróbkę CNC wg wzoru lub rysunku H [mm] 33 liczba zębów [szt.] 60 materiał aluminium S [mm] 56.54 typ produktu koło pasowe zębate W [mm] 20 Y [mm] 30 Z – głębokość [mm] 10 wykonanie 1A profil 3M R [mm] 57.3







