Opis
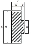
producent SIT wymiary 0 x 75,25 x 14,5 Waga 0,212 kg bo – szerokość paska [mm] 9 cecha z piastą cecha bez obrzeży cecha koło z nakiełkami cecha na życzenie wykonujemy pełną obróbkę CNC wg wzoru lub rysunku H [mm] 45 liczba zębów [szt.] 48 materiał aluminium S [mm] 75,25 typ produktu koło pasowe zębate W [mm] 14,5 Y [mm] 25,5 Z – głębokość [mm] 11 wykonanie 1A profil 5M R [mm] 76,39







